三偏心蝶阀
产品详情
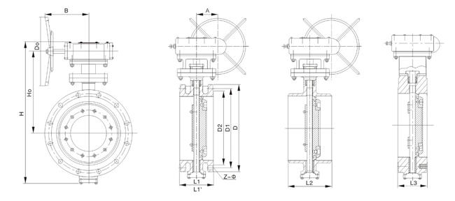
主要外形尺寸Main size of outside
型号Model: D34(6、7)2(3、4、5)F(X、H、W、Y)
|
Class |
NPS |
尺寸 (mm) |
蜗轮蜗杆装置 |
|||||||
|
Li |
L2 |
L3 |
Ho |
H |
A |
B |
Do |
|||
|
150 |
3 |
114 |
114 |
48 |
185 |
320 |
140 |
63 |
160 |
0型 |
|
4 |
127 |
127 |
54 |
195 |
342 |
140 |
63 |
160 |
0型 |
|
|
5 |
140 |
140 |
55 |
209 |
365 |
140 |
63 |
300 |
A型 |
|
|
6 |
140 |
140 |
57 |
243 |
415 |
140 |
63 |
300 |
A型 |
|
|
8 |
152 |
152 |
64 |
263 |
510 |
150 |
84 |
400 |
B型 |
|
|
10 |
165 |
165 |
71 |
295 |
567 |
150 |
84 |
400 |
B型 |
|
|
12 |
178 |
178 |
81 |
342 |
665 |
200 |
108 |
600 |
C型 |
|
|
14 |
190 |
190 |
92 |
385 |
739 |
200 |
108 |
600 |
C型 |
|
|
16 |
216 |
216 |
102 |
430 |
825 |
240 |
152 |
600 |
C型 |
|
|
18 |
222 |
222 |
114 |
469 |
910 |
240 |
152 |
800 |
D型 |
|
|
20 |
229 |
229 |
127 |
500 |
990 |
300 |
168 |
800 |
D型 |
|
|
24 |
267 |
267 |
154 |
618 |
1210 |
320 |
192 |
800 |
D型 |
|
|
28 |
292 |
292 |
229 |
746 |
1475 |
237 |
168 |
400 |
DA型 |
|
|
32 |
318 |
318 |
241 |
810 |
1600 |
237 |
168 |
400 |
DA型 |
|
|
34 |
330 |
330 |
241 |
875 |
1728 |
237 |
168 |
400 |
DA型 |
|
|
40 |
410 |
410 |
300 |
965 |
1900 |
237 |
168 |
600 |
DB型 |
|
|
48 |
470 |
470 |
254 |
1055 |
2100 |
237 |
168 |
600 |
DB型 |
|
|
56 |
530 |
530 |
279 |
1163 |
2325 |
237 |
168 |
600 |
DB型 |
|
|
60 |
570 |
570 |
318 |
1343 |
2600 |
237 |
168 |
600 |
DB型 |
|
主要外形尺寸Main size of outside
型号Model: D34(6、7)2(3、4、5)F(X、H、W、Y)
|
Class |
NPS |
尺寸 (mm) |
蜗轮蜗杆 |
|||||||
|
L1 |
L2 |
L3 |
Ho |
H |
A |
B |
Do |
|||
|
300 |
3 |
180 |
180 |
48 |
141 |
395 |
140 |
63 |
300 |
A型 |
|
4 |
190 |
190 |
54 |
205 |
355 |
140 |
63 |
400 |
B型 |
|
|
5 |
200 |
200 |
55 |
215 |
378 |
140 |
63 |
400 |
B型 |
|
|
6 |
210 |
210 |
59 |
260 |
430 |
150 |
84 |
600 |
C型 |
|
|
8 |
230 |
230 |
73 |
273 |
523 |
150 |
84 |
600 |
C型 |
|
|
10 |
250 |
250 |
83 |
315 |
600 |
200 |
108 |
600 |
D型 |
|
|
12 |
270 |
270 |
92 |
362 |
693 |
200 |
108 |
800 |
D型 |
|
|
14 |
290 |
290 |
117 |
405 |
772 |
240 |
152 |
800 |
D型 |
|
|
16 |
310 |
310 |
133 |
440 |
862 |
300 |
168 |
800 |
DA型 |
|
|
18 |
330 |
330 |
149 |
525 |
960 |
320 |
192 |
400 |
DA型 |
|
|
20 |
350 |
350 |
159 |
603 |
1158 |
168 |
237 |
400 |
DA型 |
|
|
24 |
390 |
390 |
181 |
693 |
1320 |
168 |
237 |
300 |
A型 |
|
|
600 |
3 |
180 |
180 |
54 |
250 |
500 |
140 |
63 |
400 |
B型 |
|
4 |
190 |
190 |
64 |
340 |
595 |
140 |
63 |
600 |
C型 |
|
|
5 |
200 |
200 |
70 |
395 |
680 |
200 |
108 |
600 |
C型 |
|
|
6 |
210 |
210 |
78 |
423 |
730 |
240 |
152 |
600 |
C型 |
|
|
8 |
230 |
230 |
102 |
445 |
855 |
300 |
168 |
800 |
D型 |
|
|
10 |
250 |
250 |
117 |
536 |
1002 |
320 |
192 |
800 |
D型 |
|
|
12 |
270 |
270 |
140 |
614 |
1150 |
168 |
237 |
800 |
D型 |
|
|
14 |
290 |
290 |
155 |
674 |
1200 |
168 |
237 |
400 |
DA型 |
|
|
16 |
310 |
310 |
178 |
823 |
1345 |
168 |
237 |
400 |
DA型 |
|
声明:本文中所有文字、数据、图片均只适用于参考,阀门的性能参数、结构尺寸参数、价格等详情,请联系我们,电话:136-7907-3666

